下载app免费领取会员
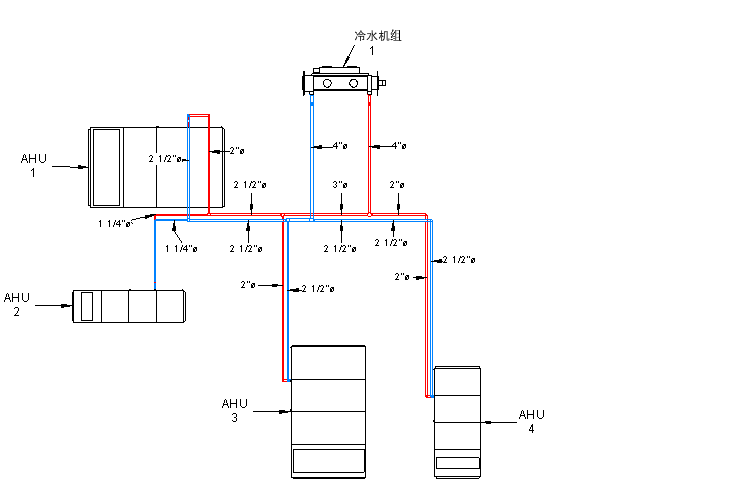
以下图像显示各种循环管道大小调整方法的结果。

调整大小之前

调整大小之后

调整大小之前

调整大小之后

调整大小之前

调整大小之后

调整大小之前

调整大小之后

调整大小之前

调整大小之后
本文版权归腿腿教学网及原创作者所有,未经授权,谢绝转载。
上一篇:CAD教程 | 如何在草图大师中将CAD文件转换为面
下一篇:Revit技巧 | Revit怎样绘制楼板教程:Revit绘制斜楼板的三种方法 ?
推荐专题