- 简介
- 服务
- 评论
版权说明
- 1 本站所有上传作品均来自互联网!
- 2 所有资源均仅供学习,请勿用于商业用途,由此导致的版权纠纷由用户自行负责。
- 3 所有资源均请在下载24小时后删除。
- 4 如有本站有侵犯您作品的版权请联系我们!我们会在24小时内删除。
安装步骤:
AutoCAD MEP 2022免费安装包简体中文版用户使用评价总结:
嘿,大家好!今天我来聊聊我最近用过的AutoCAD MEP 2022简体中文版免费安装包。作为一个普通用户,不是啥专业设计师,我只是对这些设计软件有点儿兴趣,所以一看到免费的版本我就忍不住下载下来试试。先说说安装过程吧。这个安装包确实挺好找的,很多网站都有提供下载,但还是得注意选择正规网站,免得踩坑。我下载后按照提示一步步操作,整个安装过程还算顺利,没有遇到啥大问题。对于像我这样的新手来说,这个过程真的是非常友好。虽说偶尔系统会弹出一些专业术语,但基本都能通过互联网搜索解决,所以不用太担心。
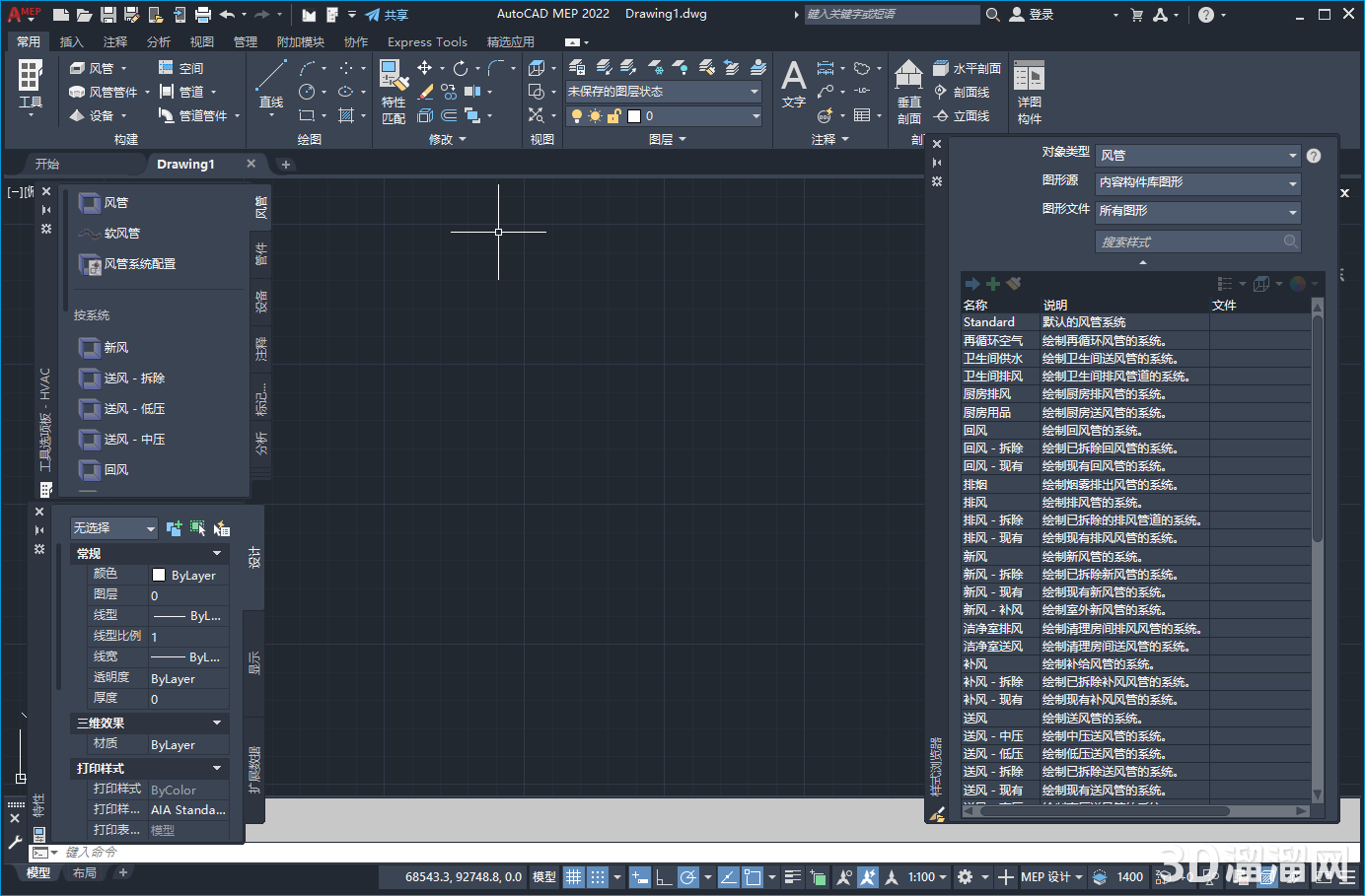
打开软件后的第一印象就是界面相对简洁,但功能真的很强大。我之前听朋友们说AutoCAD MEP专门针对机电设计,果然名不虚传。即便是简体中文版,它依旧保留了许多实用工具和功能模块,比如暖通、管道、电气等等,各种专业的选项应有尽有。你可以轻松进行各种复杂设备布局设计,这对从事相关工作的朋友来说绝对是个福音。
不过,像我这样非专业人士刚开始用的时候确实需要一点时间适应。这些工具和选项看着有点眼花缭乱,不过经过几次探索后慢慢就上手了。这里面最让我觉得贴心的地方就是它的帮助文档。遇到不懂的问题时,我总能在帮助中心找到相对清晰的解释和操作步骤,有时候还会有视频教程,可以非常直观地教给你如何使用某个功能。
还有一个让我觉得满意的地方就是它的灵活性。软件允许根据个人需求自定义一些工作流程和快捷键,对于熟悉软件的用户来说,这样能够大幅度提升工作效率。至于我这种入门级玩家,虽说开始时可能感受不到太大差异,但只要稍微研究一下这些设置,使用起来会方便不少。
在图形处理方面,AutoCAD MEP 2022也表现得不错。图纸的细节呈现非常精准,而且输出质量高。尤其在查看3D模型的时候,你会发现它的渲染效果特别逼真,看得让人眼前一亮。虽说我的电脑配置不是特别高,但软件运行速度也挺流畅,没有出现卡顿或者崩溃的情况,这点我要给个赞。
有时我会尝试去设计一些简单的家居布置,利用AutoCAD MEP 2022中的各项功能摸索怎么实现理想中的效果。虽然可能做出来的东西比较粗糙,但至少能让我更直观地了解自己想要的布局。有时候灵感来了,一坐下就是几个小时,当然这是沉迷的代价啦,不过带来的乐趣也是成倍增加的。
对于这款软件,我觉得无论是用于学习还是工作都很好,毕竟它的功能覆盖面广。而且简体中文版让我们这些非英语国家的用户在使用上少了语言障碍,体验更加友好。不过建议如果真的想深入掌握这款软件,最好还是去看看一些专业的教程或参加培训班,会更有效率。
再补充一点,虽然是免费安装包,但实际上很多高级功能可能无法完全开放,也就是说可能会有部分限制。如果有长期使用需求并且是在专业领域的话,也许考虑商业版本是个不错的选择。
我认为AutoCAD MEP 2022简体中文版对于想要进入机电设计领域的新人或者业余爱好者来说是一个极好的机会。它不仅提供了强大的工具箱,还有助于培养空间思维能力。希望我的使用体验能为大家在选择软件时提供一些参考。如果你也有兴趣,不妨下载试试,可能会发现意想不到的惊喜哦!祝大家好运!
-
2年前(02-22)
解压密码不对
-
2年前(02-22)
该文件格式未知或已损坏是什么原因呀
-
2年前(01-31)
没有注册机,这还怎么用
-
2年前(12-16)
为什么 激活不了啊
-
3年前(05-23)
解压密码点击了查看密码但是没反应,是怎么回事儿啊?
-
3年前(05-14)
解压后安装步骤是什么
-
3年前(04-14)
发布得真及时,正需要!
-
3年前(04-11)
需要单机锁吗?
-
3年前(04-09)
感谢分享
-
3年前(03-10)
怎么激活
-
3年前(03-10)
呜呜呜呜我终于下载成功了
-
hello world! 3年前(03-09)
nice bro!
-
3年前(03-08)
解压密码哪里查看呀
-
3年前(03-05)
这一款好像有bug 我安装了几次电脑都会一直闪烁
-
3年前(03-03)
卡到一个界面不动了
-
3年前(03-01)
百度网盘提取码怎么弄
-
3年前(02-22)
解压密码是第二个!实测有效!
-
3年前(02-15)
解压密码在哪里呀
-
3年前(01-14)
解压密码不对哦
-
3年前(01-03)
百度网盘下载的没有注册机

暂无评论~