下载app免费领取会员
BIM技术的落地应用,关键在于解决项目工程实际问题。只有通过施工主体在一个个业务点的深度应用,才能贯穿BIM实施各个环节,是BIM应用成为融入工程项目日常业务流程的常态化操作。
今天小编将为大家介绍一个优秀项目实践,通过9个应用点,展示BIM技术在施工场地布置的深度应用。

工程名称:
余政储出[2013]27号地块建设项目二期4#综合楼、9#剧院、地下室工程。
工程地点:
本项目位于杭州市余杭区良渚镇,古墩路北侧,立新路东侧,叶家坝港西侧,玉鸟路南侧。
项目简介:
本项目总建筑面积为152617.29㎡,地下2层,地下建筑面积为37505.76㎡。共包含2个建筑单体,其中4#楼为框架-剪力墙结构,地上29层,地下2层,建筑总高度为149.9m,地上总建筑面积为105709.73㎡。其中2MF、5MF和14MF层为钢结构体系。9#楼为钢框架结构,地上3层,地下2层,建筑总高度为22.78m,地上总建筑面积为9401.80㎡。

建设单位:中青创文化发展有限公司
设计单位:中国联合工程公司
围护设计单位:杭州南联土木工程科技有限公司
监理单位:杭州信达投资咨询估价监理有限公司
总包单位:浙江耀厦控股集团有限公司
勘察单位:浙江城建勘察研究院有限公司
1、二维码应用
运用二维码+BIM技术,将各阶段场地布置模型制成二维码,通过手机扫一扫便可查看模型,便于三维可视化应用。

基础阶段场布模型、装饰阶段场布模型、主体阶段场布模型
2、物料管理
在临建布置前期,场地的合理利用及物料精确把控至关重要,传统二维图纸不能精确的统计出工程量,很有可能造成物料采购超量,通过BIM技术根据企业标准化管理手册提前建立精确的临建模型,运用BIM技术出具工程量,实现材料和堆场布置的精准化管理。

场地、道路硬化效果图

工程量统计表
3、临建布置
由于施工场地狭小,根据项目规模、人员数量、场地特点以及企业标准化管理手册要求,运用BIM技术合理策划不同位置临建模型,包括宿舍、办公楼、门卫室、厕所、浴室等。

4、临时道路布置
在各施工阶段,场地交通影响因素多,传统二维平面无法直观的对道路安全进行分析,运用BIM技术提前策划施工道路,通过模拟车辆的行进路线及不同车辆会车的过程,保证场地内车辆安全行驶。

5、机械设备布置
本项目场地狭小,4#楼综合体高度高达149.9米,大型设备合理布置至关重要。通过传统传统二维难以对机械高度做出准确评估,运用BIM技术对现场施工设备同比例展示,动态展示机械运行过程,避免设备之间碰撞。


6、塔吊方案优化
通过BIM技术模拟塔吊的位置,分析塔吊格构柱是否与支撑梁之间发生碰撞,让塔吊方案更加合理。

塔吊格构柱优化前

塔吊格构柱优化后
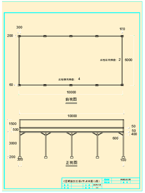
7、加工棚与材料堆场布置
在不同施工阶段,现场施工施工道路和机械的布置呈动态布置。为减少材料二次搬运节省空间,运用BIM技术对加工棚和材料堆场进行合理布置,确保施工道路、机械、材料堆场及加工棚之间合理关系。

基础施工阶段加工棚与材料堆场

主体施工阶段加工棚与材料堆场
8、场布出图
运用BIM技术可出图性,BIM中心秉持合理、精确、可指导性的原则布置施工场地,协助项目部技术科出具对应施工图。

钢筋加工棚模型

钢筋加工棚构件详图
9、建立企业标准族库
BIM中心参与企业标准化管理手册编写,运用BIM技术建立企业标准族库,积极配合项目部落实标准化实施工作。

应用总结
在施工场地布置中,BIM技术与传统的方法相比,BIM技术虽也花费时间创建模型以及收集相关构件族库,但其直观的三维模型及信息可共享的特点能快速进行方案的对比以及物料的准确统计,为方案的合理和场地物料的管理提供可靠依据,大大节省时间和精力,同时也为项目创造直观的经济效益。
另一方面,通过准确的三维模型,同比例展示不同构件及单体在场地中的作用及位置关系。综合分析可能产生的安全冲突问题,并且可对发现的问题快速提出合理有效的解决方案。避免了传统的二维平面效果图或动画因为尺寸颜色等情况产生失真,有不同的方案也无法及时调整和展示。BIM技术的出现可有效解决这一问题,使平面布置变得更科学更经济更完善。
转载请注明来源本文地址:https://www.tuituisoft/bim/189103.html
上一篇:没有了
下一篇:没有了