下载app免费领取会员
建筑信息化发展越来越迅速,BIM技术在工程中的应用也越来越普及。当前环境下,如何很好地利用BIM技术助力工程的建设与建筑业的发展,值得我们去探索。
本文以兰州鸿运金茂项目为载体,介绍了 BIM技术在该项目实施的流程和信息的协同,阐述了在深化管理方面的应用,同时,将低位顶升模架体系的设计与施工利用BIM有效地结合起来,有效地加强了新技术的推广与应用。

一、项目概况
兰州鸿运金茂项目位于兰州市核心地区,总 建筑面积37. 8 ×104m2,括两栋超高层办公楼, A 塔 51 层, B 塔 31 层,商业裙楼 8 层。A 塔建筑高度 285m, B 塔建筑高度169. 6m。作为目前甘肃地区在 建的第一高楼,项目品质定位高,从设计阶段,到施 工阶段,到最终运维整个全生命周期,均采用 BIM 技术,旨在提升管理效率、提高工程品质,打造一条 基于BIM 技术的智能建造之路。
二、应用规划
从深化设计到多专业协同,从工艺模拟到进度 模拟,从辅助技术方案到商务管控,从总承包管理 到运维信息管理,根据项目施工进度配合完成各施 工阶段的建筑,结构,水暖电等 BIM 模型应用,最终 基于 BIM 模型,基于各方面的交互,基于各式各样 的施工过程信息,整合完善各专业模型,形成竣工 文件,达到智能化、数字化、信息化。
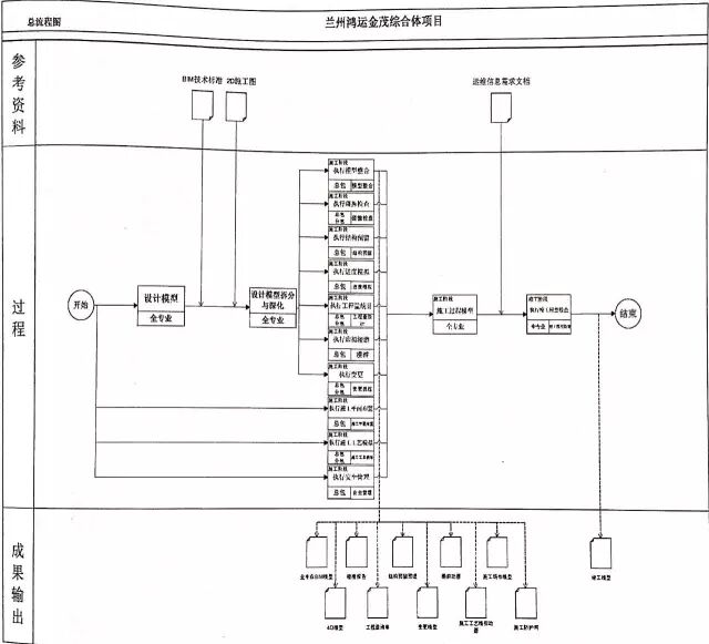
三、应用实施
1
实施流程
BIM 应用是一项贯穿于项目各阶段的系统工程,一个 BIM 项目的实施需要涉及到不同的项目阶 段、不同的项目参与方和不同的应用层次等三个维 度的多个方面,每项应用不是孤立的,各 BIM 应用 之间都有信息交换和共享,明确实施流程有助于 BIM 应用的顺利开展。

2
信息协同
在专业与专业协同过程中,为信息高效的传 递,需各方有效的沟通反馈,项目的实施过程中,按 月开展模型协调会议( 4D 协调会 -进度协调、3D 协 调会 -碰撞协调等) ,形成会议纪要和相关备案制 度。各参与方对本阶段 BIM 工作开展情况进行说 明,包括模型进度,实施过程中发现解决的图纸问 题,对现场的交底沟通等。

3
深化管理
在设计阶段,通过模型的建立,发现图纸中的 错漏碰缺问题,将问题消纳在最初,将设计最优化, 同时借助于设计的模型,可以直观地进行对图纸的 交底,加深对设计的理解。

在各专业协同时,要求各专业根据进度计 划提供相应的 BIM 模型,由总包单位针对各专业建 立的模型进行整合,达到符合现场实际施工的二次深化设计要求。比如在某一自然层施工前一个月, 提前将该层的建筑结构、机电、钢结构模型等在 Navisworks Manage 中整合,通过碰撞检测、3D 漫游等 发现各专业之间的碰撞冲突问题,再通过会议等形 式协调各专业进行解决,提前进行沟通,以便该层 施工时能顺利进行。同时,将本层的预埋件、预留 洞、设计变更等进行标示,导出相应图纸,对现场进 行交底,避免施工过程中的错漏。
在现场实际施工中,将设计院或原先根据图纸 建立的模型,根据现场实际施工的区段或者重点部 位进行拆分,一是现场加强关键区域的交底指导工 作,二是在原模型的基础上添加现场的实际施工情 况,包括施工过程信息等,有助于后期的追溯性,便于竣工管理。

四、施工管理
1
平面管理
超高层建筑施工大都存在场地狭小,交通组织 困难的现状,我们根据总平面布置图和进度计划, 在 BIM 模型中模拟出各个施工阶段工程所有地上、 地下、已有和拟建建筑物、施工设备、各场地实体、 临时设施、库房加工厂等的现场情况,将需要布置 的现场设施设备与工程 BIM 模型进行整合,通过调整位置来优化平面布置方案,相关管理人员通过漫 游虚拟场地,了解场地布置,提出修改意见。

2
转载请注明来源本文地址:https://www.tuituisoft/bim/586.html
上一篇:没有了
下一篇:没有了