下载app免费领取会员
我们在做项目前需要对模型的位置要做一个准确的定位。不论是世界坐标(GPS),还是软件内的定位坐标,定位都需准确无误。
运用Revit软件建模首先需要了解测量点、项目基点、图形原点各自的含义及之间的相互联系。
测量点
:项目在软件的世界坐标系统中实际测量定位的参考坐标原点。从总平面图中获得坐标值。
项目基点
:项目在用户坐标系中测量定位的相对参考坐标原点,需要根据项目特点确定此点的合理位置。
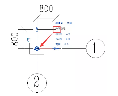
图形原点:默认情况下,在第一次新建项目文件时,测量点和项目基点位于同一个位置点,此点没有明显标志。
一般由建筑专业确定项目位置,我们遵从一般,用建筑样板(其他项目样板也可)新建一个项目文件,为便于观察,我们以图形原点(测量点与项目基点重合点)为中心创建了一个柱子。在平面视图点击显示隐藏的图元,如图,能看到测量点和项目基点。

1、测量点在锁定状态
(1)实测可知,测量点在锁定状态移动位置,测量点坐标不会更改。

(2)测量点在锁定状态移动,项目基点坐标相对测量点的坐标会跟随更改。

2、测量点在编辑状态
测量点在编辑状态坐标(0,0,0)点位置是不固定的。通过下面两步操作能了解测量点的零点坐标是相对的。
(1)首先把测量点在编辑状态移动到如下图所示的位置。

修改测量点的坐标成(0,0,0),测量点位置如下图所示

(2)把测量点在锁定状态移动到下图所示位置,这时测量点的(0,0,0)坐标由起始位置改到了终点位置。

我们可以简单验证,把编辑状态的测量点移动到如下位置

把测量点的“南/北”和“东/西”两个值都改成0.测量点会回到新的0点坐标。

本文版权归腿腿教学网及原创作者所有,未经授权,谢绝转载。
下一篇:Revit技巧 | Revit官方教程丨创建预制分割轮廓
推荐专题