下载app免费领取会员
文章来源:广筑BIM咨询

第十六期“全国BIM技能等级考试”结束不久,很多伙伴们都在期待考试成绩的事儿~
咱们来先看看这些题目的解题思路,参考一下~
为了让大家能够快速拿到这一题的分,我们写出了详细的解题方法,下面我们就来教大家如何高效快速把这一题的分拿到手。
首先我们先来分析题目:

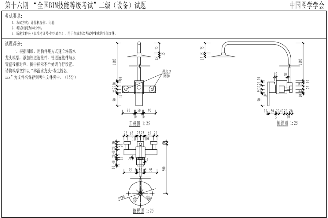
01、题目要求
1、根据图纸创建设备模型;
2、添加管道连接件,并且连接件要与水管管径相对应(参数化);
02、考试重点
本题的重点是通过拉伸、放样、旋转快速创建模型。
03、绘制方法
1、新建族(常规模型)(注意题干视图比例为1:25);
2、拉伸、放样、旋转绘制模型;
3、添加管道连接件,关联参数;
4、文件保存与命名;
根据题目要求,①我们首先在前立面中绘制两条参照平面距离中线100,选择创建拉伸,绘制两个半径为25的圆,设置拉伸起点为0,终点为20确定。
②再创建拉伸,绘制两个半径为10的圆形,设置拉伸起点为20,拉伸终点为60,点击注释中的直径尺寸标注分别标注两个圆形,点击尺寸标注添加参数。分别设置为R1和R2。
③下一步继续创建拉伸50*50的矩形,中线对齐纵轴,拉伸起点为0,拉伸终点为40确定。建立参照平面距离绘制好的方块上部15,绘制70*100的矩形,中线对齐纵轴,拉伸起点为40,拉伸终点为120确定。
以大方块外边为参照,创建拉伸90*50的矩形,中线对齐横轴并镜像,设置拉伸起点为60,拉伸终点为100确定。
绘制两条参照平面确定大方块在前立面的中点,以此中点为圆心创建拉伸半径为15的圆,设置拉伸起点为120,拉伸终点为135确定。

调整视图平面到右立面,做四条参照平面如图所示:

创建拉伸,沿四条参照平面绘制矩形。再建立一个距离大方块左边为15的参照平面,点击“起点-终点-半径弧”,绘制一条弧线,点击“修建/延伸为脚”修剪掉多余部分,设置拉伸起点为-30,拉伸终点为30确定。以刚绘制好的图形左上角为端点向左拉伸一个10*180的矩形,设置拉伸起点为-25,拉伸终点为25确定。

接下来在创建选项卡中点击放样,在修改选项卡中点击“绘制路径”,如图拾取小方块上边中点,向上绘制长度1200,向左绘制长度480,向下绘制长度75,点击“esc”键取消。
点击“圆角弧”,因为题中未给出相应的弧度,所以我们点击两条线自定义绘制两条合适的弧线,点击对号确定。点击右上角“编辑轮廓”,选择“楼层平面:参照表高”,点击打开视图。找到中心红点,以红点为半径画出半径为10的圆形,点击对号确定两次。
切换立面视图为右立面,创建旋转点击直线,以左上角管道底边中心为起点向左绘制长度15,向下绘制长度15,点击“esc”键取消,再以刚才终点为起点向下绘制长度30,向左绘制长度90,将端点相连接,点击轴线画中心线确定。

切换到三维视图,到此模型创建完毕,我们点击创建“管道连接件”,选择进水端的面并点击。点击连接件图元,在属性面板中尺寸标注直径后找到“关联族参数”并点击。

将两个进水口分别设置为对应的参数R1、R2。并将两个连接件分别设置为家用冷水和家用热水系统。
模型创建完毕

至此,我们就完成了本道题的绘制,接着按照题目要求命名并保存项目即可。
好了,以上就是第十六期第一题关于淋浴水龙头模型如何快速创建的方法,在绘制时注意工作平面和拉伸长度就可以了~
Revit中文网作为国内知名BIM软件培训交流平台,几十万Revit软件爱好者和你一起学习Revit,不仅仅为广大用户提供相关BIM软件下载与相关行业资讯,同时也有部分网络培训与在线培训,欢迎广大用户咨询。
网校包含各类BIM课程320余套,各类学习资源270余种,是目前国内BIM类网校中课程最有深度、涵盖性最广、资源最为齐全的网校。网校课程包含Revit、Dynamo、Lumion、Navisworks、Civil 3D等几十种BIM相关软件的教学课程,专业涵盖土建、机电、装饰、市政、后期、开发等多个领域。
需要更多BIM考试教程或BIM视频教程,可以咨询客服获得更多免费Revit教学视频。
本文版权归腿腿教学网及原创作者所有,未经授权,谢绝转载。
上一篇:Revit技巧 | revit少族文件怎么办?Revit系统族文件丢失如何解决?
下一篇:Revit技巧 | Revit图层怎么设置?Revit出图图层设置操作详解
推荐专题